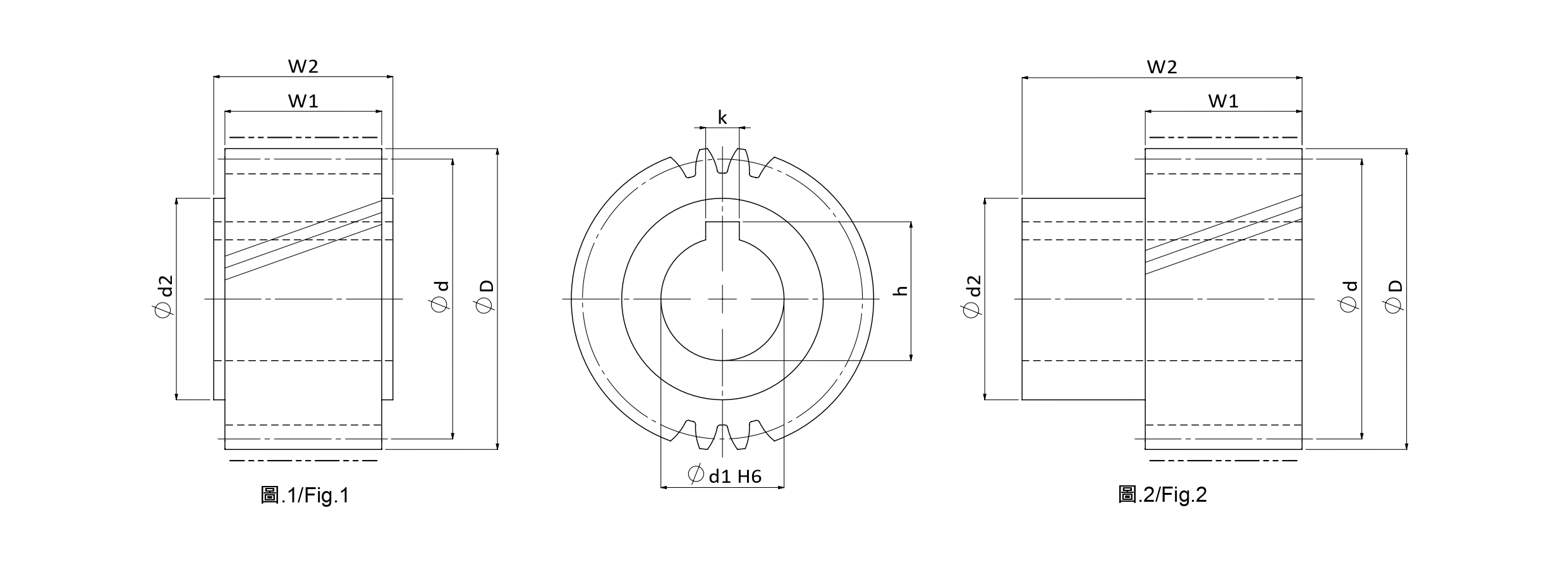
Cylindrical Pinion

MHGH01503012-DIN6

Series MSGH-DIN6 Straight Teeth Ground Pinions

Material SCM440
Hardness: HRC 50~55°
Teeth Ground after Hardening

Technical Data
Tooth profile Helical Product Code MHGH
Module (M) 1.5 Quality(Q) DIN6
No. of. Teeth (Z) 30 øD 50.75
ød2 25 Max Feed Force Range (kN) ≦10
Max Feed Force (kN) 7.50 Weight (KG) 0.27
Pitch Circle Diameter Range (ød) ≦50 Pitch Circle Diameter (ød) 47.747
Hole Diameter (ød1) 16 W1 20
Total width (W2) 30 Keyway Yes
k 5 h 18.3
Fig. 2 Left Hand Helix Angle(β) 19゚31'42”

Unit : mm