Cylindrical Pinion

MHGH02002822-DIN6

Series MSGH-DIN6 Straight Teeth Ground Pinions
Material : SCM440
Left Hand Helix Angle : 19°31'42"
Induction Hardened: Hardness HRC50-55
Teeth Induction-Hardened and Ground

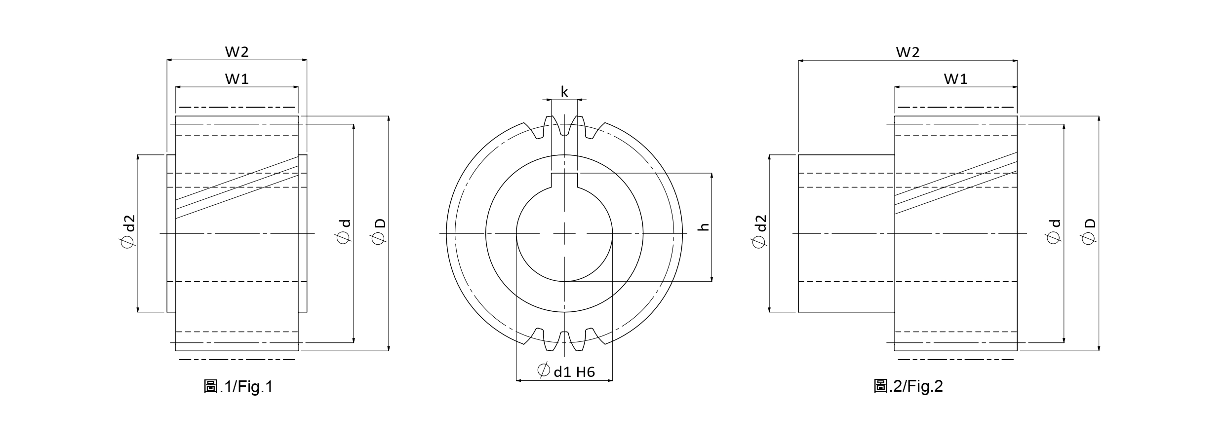
Technical Data
Tooth profile Helical Product Code MHGH
Module (M) 2 Quality(Q) DIN6
No. of. Teeth (Z) 28 øD 63.42
ød2 30 Max Feed Force Range (kN) 10-30
Max Feed Force (kN) 14.05 Weight (KG) 0.40
Pitch Circle Diameter Range (ød) 50-70 Pitch Circle Diameter (ød) 59.418
Hole Diameter (ød1) 19 W1 28
Total width (W2) 56 Keyway Yes
k 6 h 21.8
Fig. 2 Left Hand Helix Angle(β) 19゚31'42”

Unit : mm