Cylindrical Pinion

MHGH02003011-DIN6

Series MSGH-DIN6 Straight Teeth Ground Pinions

Material : SCM440
Left Hand Helix Angle : 19°31'42"
Induction Hardened: Hardness HRC50-55
Teeth Induction-Hardened and Ground

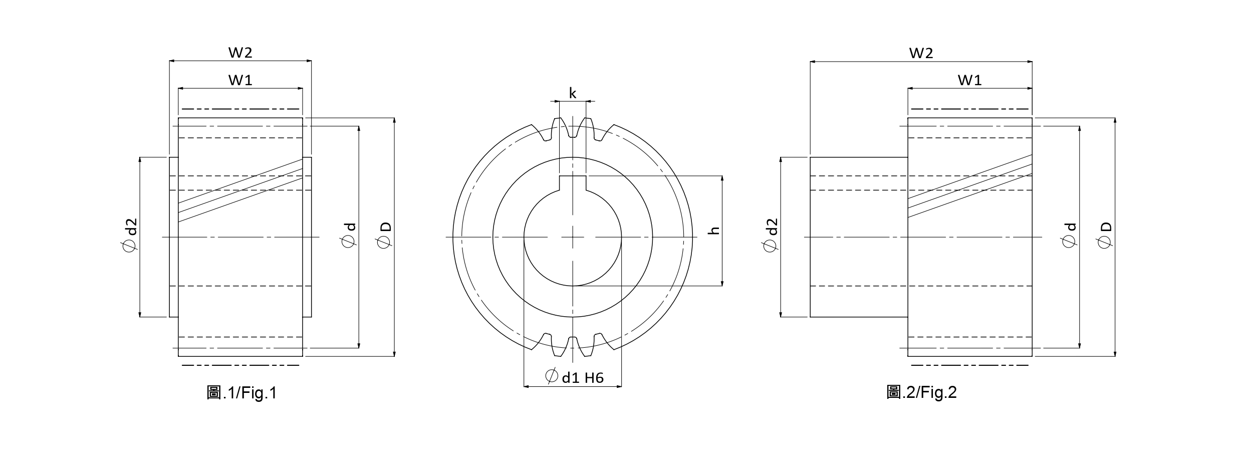
Technical Data
Tooth profile Helical Product Code MHGH
Module (M) 2 Quality(Q) DIN6
No. of. Teeth (Z) 30 øD 67.66
ød2 25 Max Feed Force Range (kN) 10-30
Max Feed Force (kN) 14.30 Weight (KG) 0.70
Pitch Circle Diameter Range (ød) 50-70 Pitch Circle Diameter (ød) 63.662
Hole Diameter (ød1) 16 W1 28
Total width (W2) 30 Keyway Yes
k 5 h 18.3
Fig. 1 Left Hand Helix Angle(β) 19゚31'42”

Unit : mm