Cylindrical Pinion

MHGH02003092-DIN6

Series MSGH-DIN6 Straight Teeth Ground Pinions

Material : SCM440
Left Hand Helix Angle : 19°31'42"
Induction Hardened: Hardness HRC50-55
Teeth Induction-Hardened and Ground

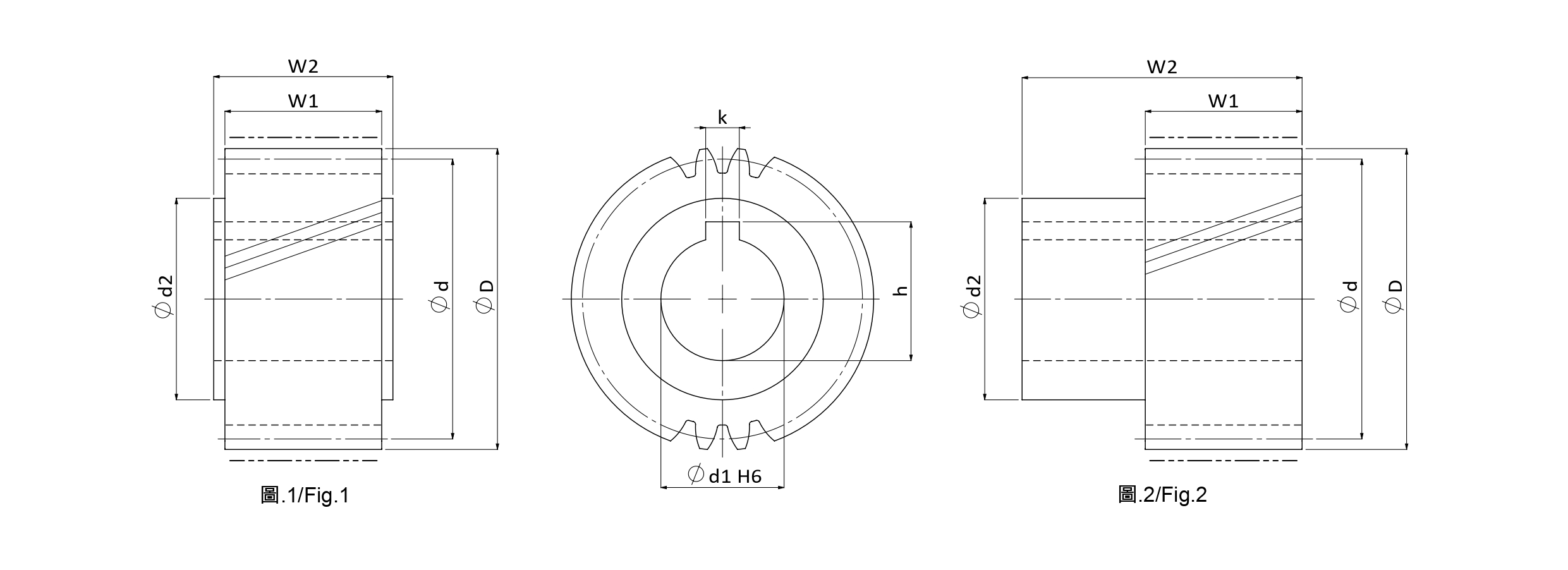
Technical Data
Tooth profile Helical Product Code MHGH
Module (M) 2 Quality(Q) DIN6
No. of. Teeth (Z) 30 øD 67.66
ød2 30 Max Feed Force Range (kN) 10-30
Max Feed Force (kN) 12.77 Weight (KG) 0.64
Pitch Circle Diameter Range (ød) 50-70 Pitch Circle Diameter (ød) 63.662
Hole Diameter (ød1) 22 W1 25
Total width (W2) 60 Keyway No
Fig. 2 Left Hand Helix Angle(β) 19゚31'42”

Unit : mm