Cylindrical Pinion

MHGH03002822-DIN6

Series MSGH-DIN6 Straight Teeth Ground Pinions
Material : SCM440
Left Hand Helix Angle : 19°31'42"
Induction Hardened: Hardness HRC50-55
Teeth Induction-Hardened and Ground

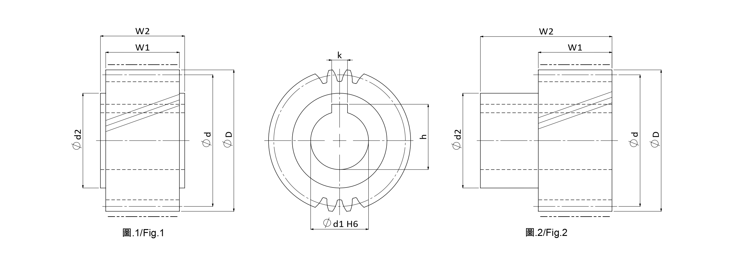
Technical Data
Tooth profile Helical Product Code MHGH
Module (M) 3 Quality(Q) DIN6
No. of. Teeth (Z) 28 øD 95.13
ød2 62 Max Feed Force Range (kN) 10-30
Max Feed Force (kN) 20.63 Weight (KG) 2.20
Pitch Circle Diameter Range (ød) 70-100 Pitch Circle Diameter (ød) 89.127
Hole Diameter (ød1) 40 W1 28
Total width (W2) 65 Keyway Yes
k 12 h 43.3
Fig. 2 Left Hand Helix Angle(β) 19゚31'42”

Unit : mm