Cylindrical Pinion

MHGH03003042-DIN6

Series MSGH-DIN6 Straight Teeth Ground Pinions

Material : SCM440
Left Hand Helix Angle : 19°31'42"
Induction Hardened: Hardness HRC50-55
Teeth Induction-Hardened and Ground

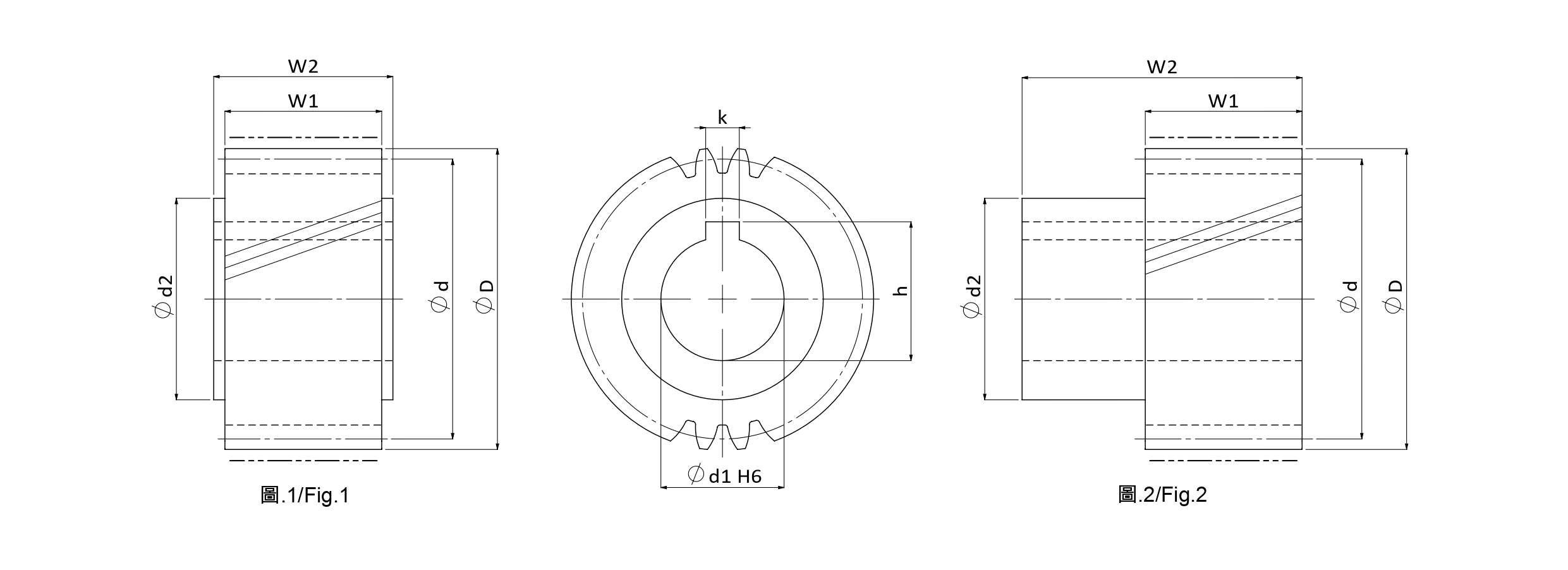
Technical Data
Tooth profile Helical Product Code MHGH
Module (M) 3 Quality(Q) DIN6
No. of. Teeth (Z) 30 øD 101.49
ød2 44 Max Feed Force Range (kN) 10-30
Max Feed Force (kN) 22.50 Weight (KG) 1.71
Pitch Circle Diameter Range (ød) 70-100 Pitch Circle Diameter (ød) 95.493
Hole Diameter (ød1) 32 W1 30
Total width (W2) 70 Keyway No
Fig. 2 Left Hand Helix Angle(β) 19゚31'42”

Unit : mm