Cylindrical Pinion

MHGH04002011-DIN6

Series MSGH-DIN6 Straight Teeth Ground Pinions

Material : SCM440
Left Hand Helix Angle : 19°31'42"
Induction Hardened: Hardness HRC50-55
Teeth Induction-Hardened and Ground

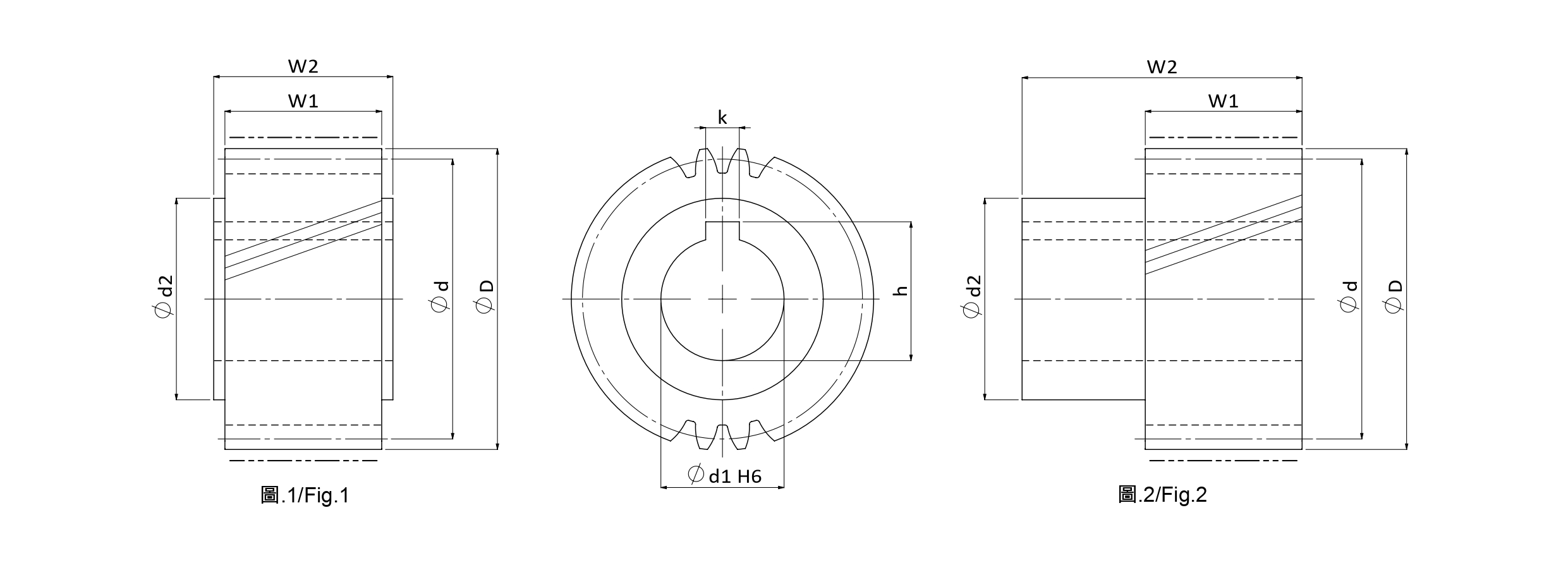
Technical Data
Tooth profile Helical Product Code MHGH
Module (M) 4 Quality(Q) DIN6
No. of. Teeth (Z) 20 øD 92.88
ød2 52 Max Feed Force Range (kN) 10-30
Max Feed Force (kN) 28.19 Weight (KG) 1.30
Pitch Circle Diameter Range (ød) 70-100 Pitch Circle Diameter (ød) 84.883
Hole Diameter (ød1) 35 W1 40
Total width (W2) 50 Keyway Yes
k 10 h 38.3
Fig. 1 Left Hand Helix Angle(β) 19゚31'42”

Unit : mm