Cylindrical Pinion

MHGH04002221-DIN6

Series MSGH-DIN6 Straight Teeth Ground Pinions

Material : SCM440
Left Hand Helix Angle : 19°31'42"
Induction Hardened: Hardness HRC50-55
Teeth Induction-Hardened and Ground

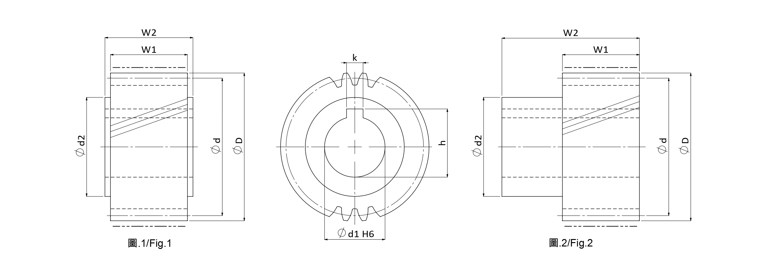
Technical Data
Tooth profile Helical Product Code MHGH
Module (M) 4 Quality(Q) DIN6
No. of. Teeth (Z) 22 øD 101.37
ød2 65 Max Feed Force Range (kN) 30-50
Max Feed Force (kN) 31.22 Weight (KG) 1.60
Pitch Circle Diameter Range (ød) 70-100 Pitch Circle Diameter (ød) 93.371
Hole Diameter (ød1) 45 W1 40
Total width (W2) 50 Keyway Yes
k 14 h 48.8
Fig. 1 Left Hand Helix Angle(β) 19゚31'42”

Unit : mm