Cylindrical Pinion

MHGH04003042-DIN6

Series MSGH-DIN6 Straight Teeth Ground Pinions

Material : SCM440
Left Hand Helix Angle : 19°31'42"
Induction Hardened: Hardness HRC50-55
Teeth Induction-Hardened and Ground

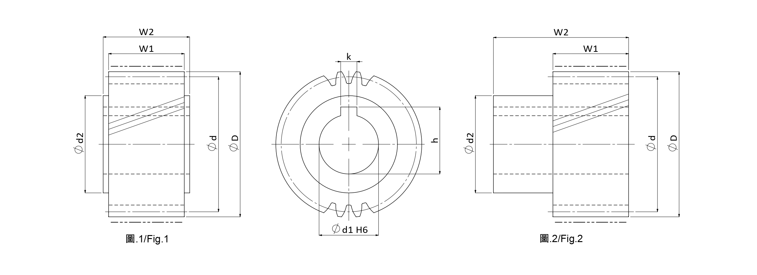
Technical Data
Tooth profile Helical Product Code MHGH
Module (M) 4 Quality(Q) DIN6
No. of. Teeth (Z) 30 øD 135.32
ød2 50 Max Feed Force Range (kN) 30-50
Max Feed Force (kN) 40.00 Weight (KG) 3.80
Pitch Circle Diameter Range (ød) >100 Pitch Circle Diameter (ød) 127.324
Hole Diameter (ød1) 40 W1 40
Total width (W2) 85 Keyway No
Fig. 2 Left Hand Helix Angle(β) 19゚31'42”

Unit : mm