Cylindrical Pinion

MHGH05002212-DIN6

Series MSGH-DIN6 Straight Teeth Ground Pinions

Material : SCM440
Left Hand Helix Angle : 19°31'42"
Induction Hardened: Hardness HRC50-55
Teeth Induction-Hardened and Ground

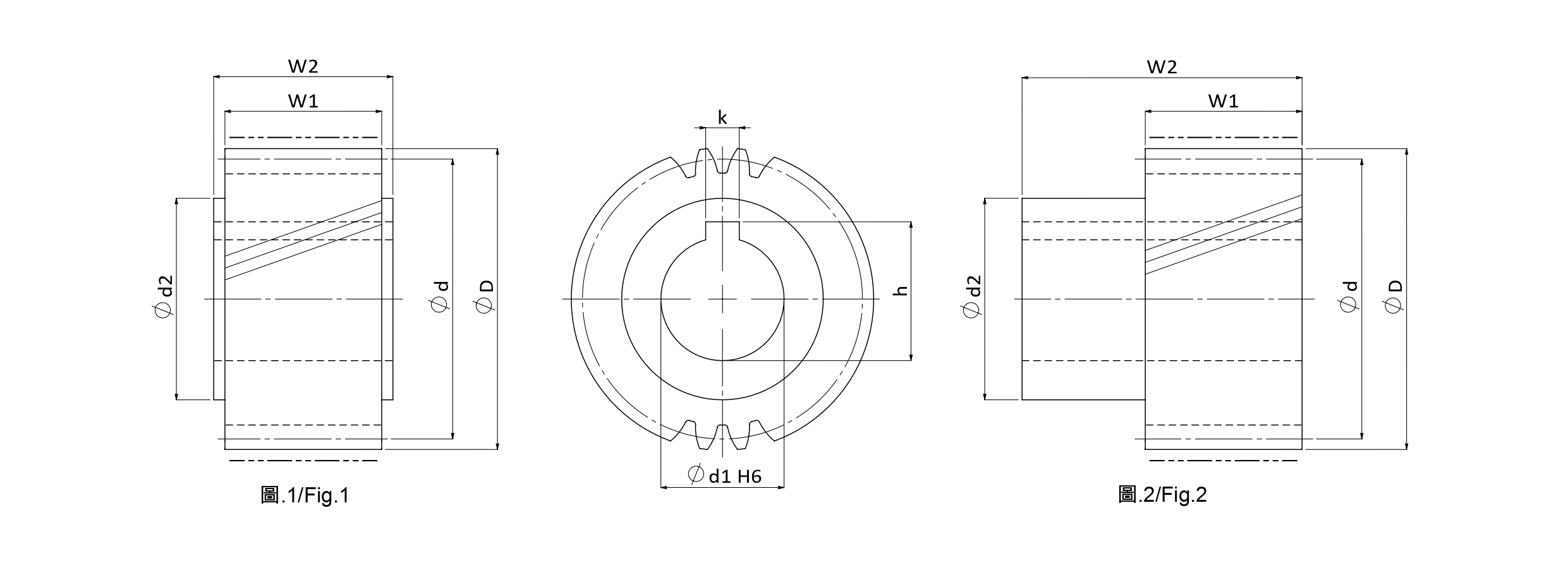
Technical Data
Tooth profile Helical Product Code MHGH
Module (M) 5 Quality(Q) DIN6
No. of. Teeth (Z) 22 øD 126.71
ød2 60 Max Feed Force Range (kN) 30-50
Max Feed Force (kN) 49.83 Weight (KG) 4.06
Pitch Circle Diameter Range (ød) >100 Pitch Circle Diameter (ød) 116.714
Hole Diameter (ød1) 40 W1 50
Total width (W2) 85 Keyway Yes
k 12 h 43.3
Fig. 2 Left Hand Helix Angle(β) 19゚31'42”

Unit : mm