Cylindrical Pinion

MHGH06002012-DIN6

Series MSGH-DIN6 Straight Teeth Ground Pinions

Material : SCM440
Left Hand Helix Angle : 19°31'42"
Induction Hardened: Hardness HRC50-55
Teeth Induction-Hardened and Ground

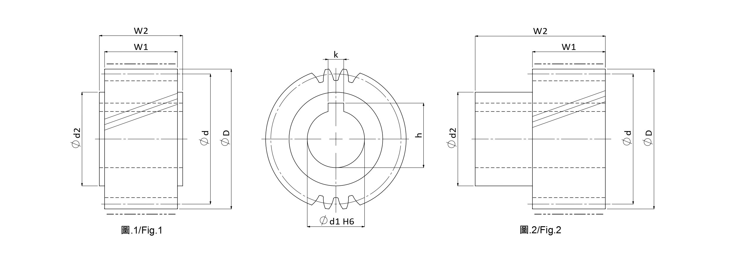
Technical Data
Tooth profile Helical Product Code MHGH
Module (M) 6 Quality(Q) DIN6
No. of. Teeth (Z) 20 øD 139.32
ød2 80 Max Feed Force Range (kN) 50-100
Max Feed Force (kN) 65.50 Weight (KG) 6.00
Pitch Circle Diameter Range (ød) >100 Pitch Circle Diameter (ød) 127.324
Hole Diameter (ød1) 55 W1 60
Total width (W2) 100 Keyway Yes
k 16 h 59.3
Fig. 2 Left Hand Helix Angle(β) 19゚31'42”

Unit : mm