Cylindrical Pinion

MHGH08002012-DIN6

Series MSGH-DIN6 Straight Teeth Ground Pinions
Material : SCM440
Left Hand Helix Angle : 19°31'42"
Induction Hardened: Hardness HRC50-55
Teeth Induction-Hardened and Ground

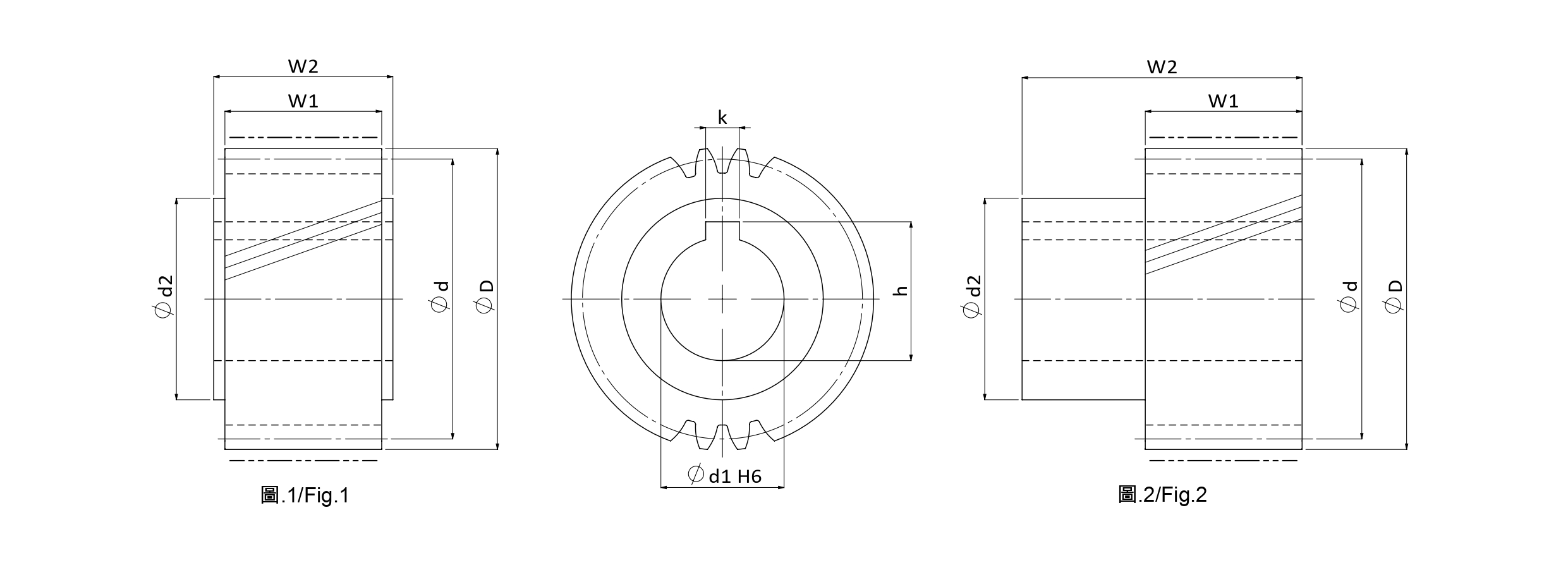
Technical Data
Tooth profile Helical Product Code MHGH
Module (M) 8 Quality(Q) DIN6
No. of. Teeth (Z) 20 øD 185.77
ød2 125 Max Feed Force Range (kN) >100
Max Feed Force (kN) 116.44 Weight (KG) 14.00
Pitch Circle Diameter Range (ød) >100 Pitch Circle Diameter (ød) 169.766
Hole Diameter (ød1) 85 W1 80
Total width (W2) 145 Keyway Yes
k 22 h 90.4
Fig. 2 Left Hand Helix Angle(β) 19゚31'42”

Unit : mm