Cylindrical Pinion

MHGH10002012-DIN6

Series MSGH-DIN6 Straight Teeth Ground Pinions
Material : SCM440
Left Hand Helix Angle : 19°31'42"
Induction Hardened: Hardness HRC50-55
Teeth Induction-Hardened and Ground

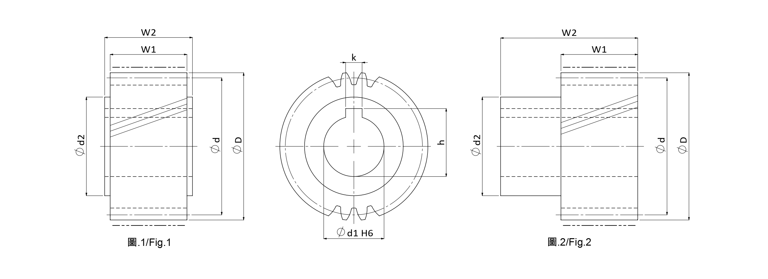
Technical Data
Tooth profile Helical Product Code MHGH
Module (M) 10 Quality(Q) DIN6
No. of. Teeth (Z) 20 øD 232.21
ød2 125 Max Feed Force Range (kN) >100
Max Feed Force (kN) 181.93 Weight (KG) 26.00
Pitch Circle Diameter Range (ød) >100 Pitch Circle Diameter (ød) 212.207
Hole Diameter (ød1) 85 W1 100
Total width (W2) 165 Keyway Yes
k 22 h 90.4
Fig. 2 Left Hand Helix Angle(β) 19゚31'42”

Unit : mm