Cylindrical Pinion

MSGH02002051-DIN6

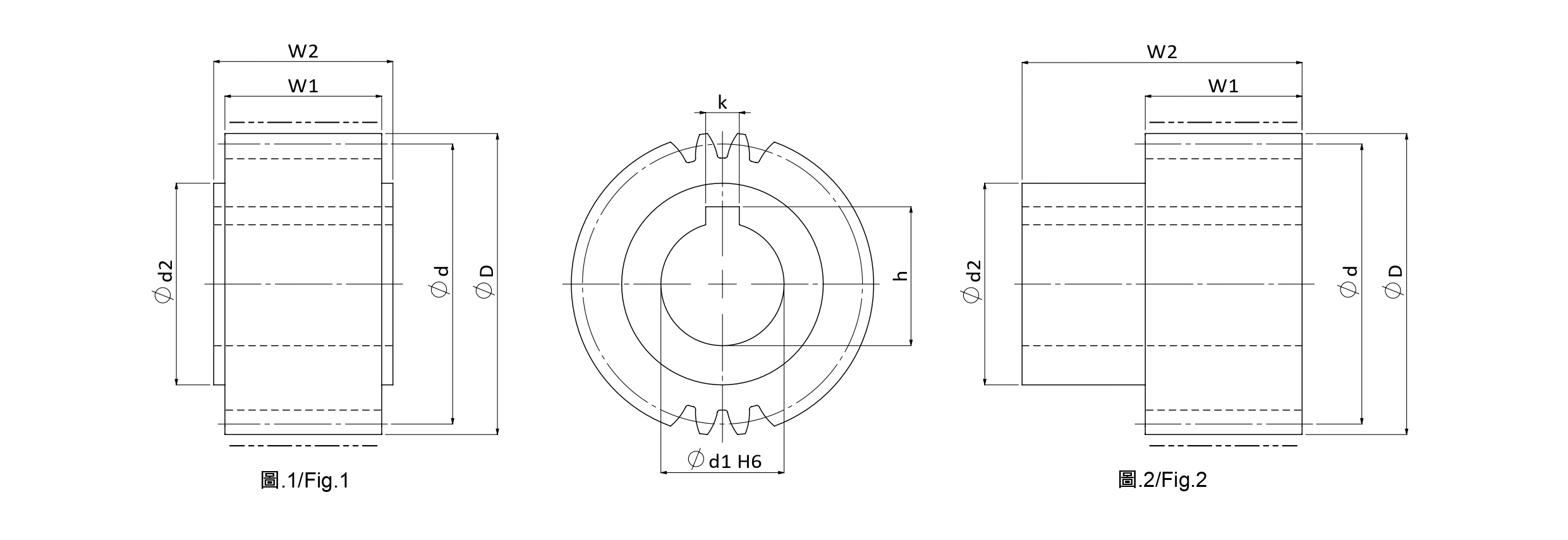
Series MSGH-DIN6 Straight Teeth Ground Pinions

Material : SCM440
Induction Hardened: Hardness HRC50-55
Teeth Induction-Hardened and Ground

Technical Data
Tooth profile Straight Product Code MSGH
Module (M) 2 Quality(Q) DIN6
No. of. Teeth (Z) 20 øD 40
ød2 30 Max Feed Force Range (kN) ≦10
Max Feed Force (kN) 4.83 Weight (KG) 0.3
Pitch Circle Diameter Range (ød) ≦50 Pitch Circle Diameter (ød) 44
Hole Diameter (ød1) 22 W1 28
Total width (W2) 30 Keyway Yes
k 6 h 24.8
Fig. 1 Left Hand Helix Angle(β) 0゚

Unit : mm