Cylindrical Pinion

MSGH02002271-DIN6

Series MSGH-DIN6 Straight Teeth Ground Pinions
Material : SCM440
Induction Hardened: Hardness HRC50-55
Teeth Induction-Hardened and Ground

Technical Data
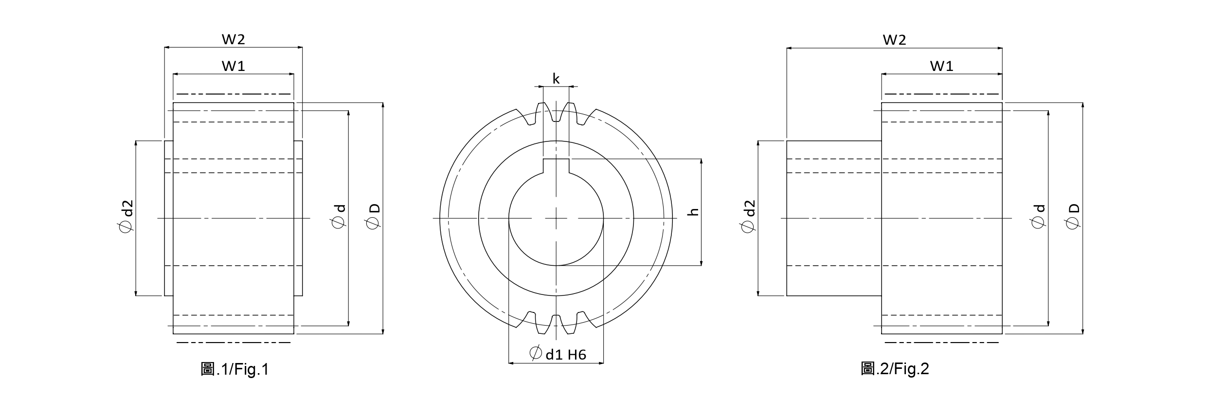
Tooth profile Straight Product Code MSGH
Module (M) 2 Quality(Q) DIN6
No. of. Teeth (Z) 22 øD 44
ød2 36 Max Feed Force Range (kN) ≦10
Max Feed Force (kN) 5.31 Weight (KG) 0.3
Pitch Circle Diameter Range (ød) ≦50 Pitch Circle Diameter (ød) 48
Hole Diameter (ød1) 25 W1 28
Total width (W2) 30 Keyway Yes
k 8 h 28.3
Fig. 1 Left Hand Helix Angle(β) 0゚

Unit : mm