Cylindrical Pinion

MSGH02002512-DIN6

Series MSGH-DIN6 Straight Teeth Ground Pinions

Material : SCM440
Induction Hardened: Hardness HRC50-55
Teeth Induction-Hardened and Ground

Technical Data
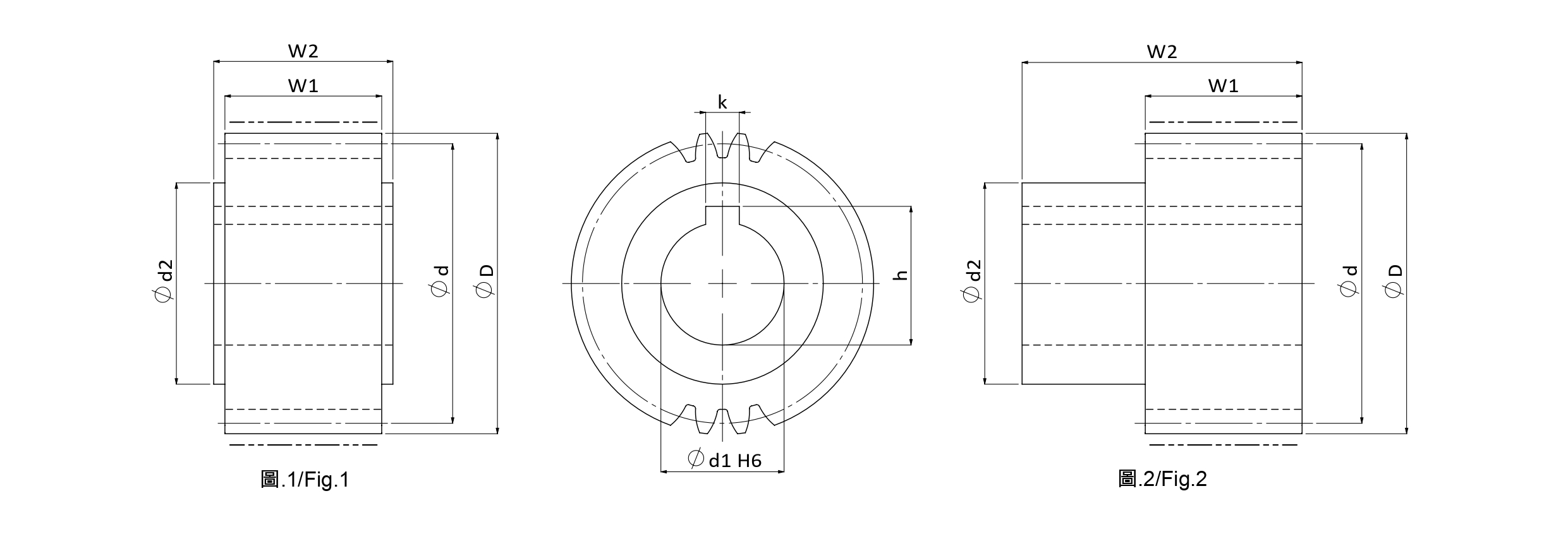
Tooth profile Straight Product Code MSGH
Module (M) 2 Quality(Q) DIN6
No. of. Teeth (Z) 25 øD 50
ød2 30 Max Feed Force Range (kN) ≦10
Max Feed Force (kN) 6.76 Weight (KG) 0.7
Pitch Circle Diameter Range (ød) 50-70 Pitch Circle Diameter (ød) 54
Hole Diameter (ød1) 16 W1 28
Total width (W2) 54 Keyway Yes
k 5 h 18.3
Fig. 2 Left Hand Helix Angle(β) 0゚

Unit : mm