Cylindrical Pinion

MSGH02002811-DIN6

Series MSGH-DIN6 Straight Teeth Ground Pinions

Material : SCM440
Induction Hardened: Hardness HRC50-55
Teeth Induction-Hardened and Ground

Technical Data
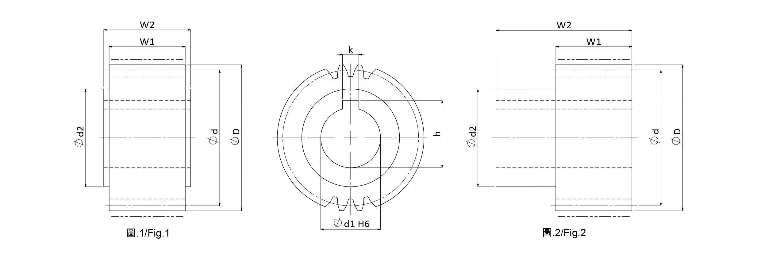
Tooth profile Straight Product Code MSGH
Module (M) 2 Quality(Q) DIN6
No. of. Teeth (Z) 28 øD 56
ød2 30 Max Feed Force Range (kN) ≦10
Max Feed Force (kN) 7.58 Weight (KG) 0.5
Pitch Circle Diameter Range (ød) 50-70 Pitch Circle Diameter (ød) 60
Hole Diameter (ød1) 19 W1 28
Total width (W2) 30 Keyway Yes
k 6 h 21.8
Fig. 1 Left Hand Helix Angle(β) 0゚

Unit : mm