Cylindrical Pinion

MSGH02004011-DIN6

Series MSGH-DIN6 Straight Teeth Ground Pinions

Material : SCM440
Induction Hardened: Hardness HRC50-55
Teeth Induction-Hardened and Ground

Technical Data
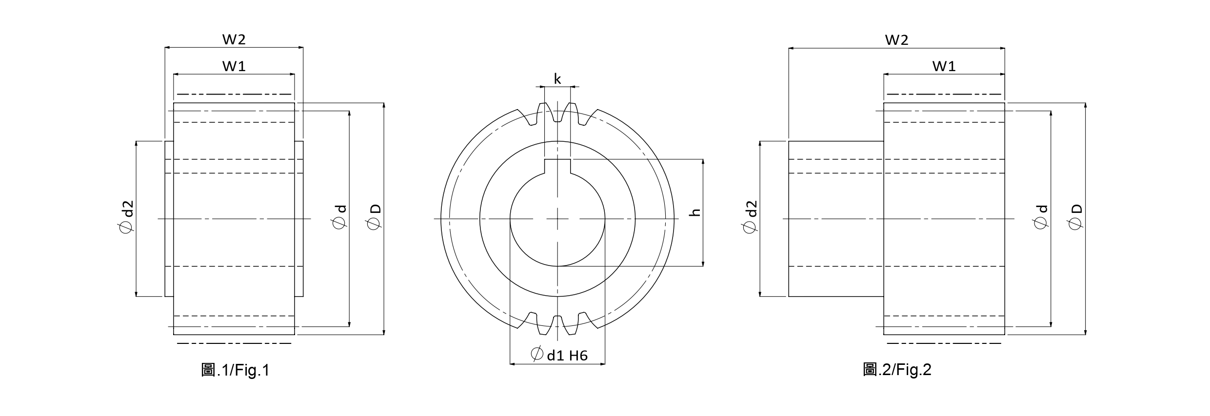
Tooth profile Straight Product Code MSGH
Module (M) 2 Quality(Q) DIN6
No. of. Teeth (Z) 40 øD 80
ød2 36 Max Feed Force Range (kN) 10-30
Max Feed Force (kN) 12.31 Weight (KG) 1.0
Pitch Circle Diameter Range (ød) 70-100 Pitch Circle Diameter (ød) 84
Hole Diameter (ød1) 15 W1 28
Total width (W2) 30 Keyway Yes
k 5 h 17.3
Fig. 1 Left Hand Helix Angle(β) 0゚

Unit : mm