Cylindrical Pinion

MSGH03002031-DIN6

Series MSGH-DIN6 Straight Teeth Ground Pinions

Material : SCM440
Induction Hardened: Hardness HRC50-55
Teeth Induction-Hardened and Ground

Technical Data
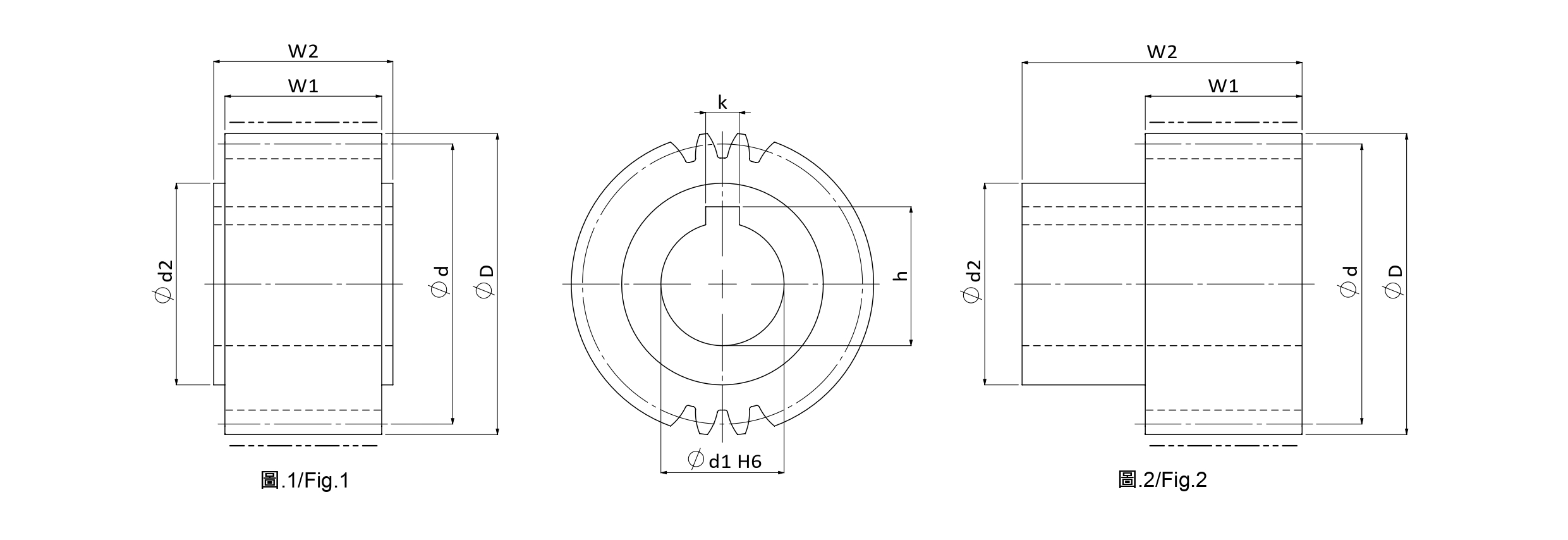
Tooth profile Straight Product Code MSGH
Module (M) 3 Quality(Q) DIN6
No. of. Teeth (Z) 20 øD 60
ød2 48 Max Feed Force Range (kN) ≦10
Max Feed Force (kN) 7.95 Weight (KG) 0.5
Pitch Circle Diameter Range (ød) 50-70 Pitch Circle Diameter (ød) 66
Hole Diameter (ød1) 35 W1 28
Total width (W2) 30 Keyway Yes
k 10 h 38.3
Fig. 1 Left Hand Helix Angle(β) 0゚

Unit : mm