Cylindrical Pinion

MSGH03002511-DIN6

Series MSGH-DIN6 Straight Teeth Ground Pinions

Material : SCM440
Induction Hardened: Hardness HRC50-55
Teeth Induction-Hardened and Ground

Technical Data
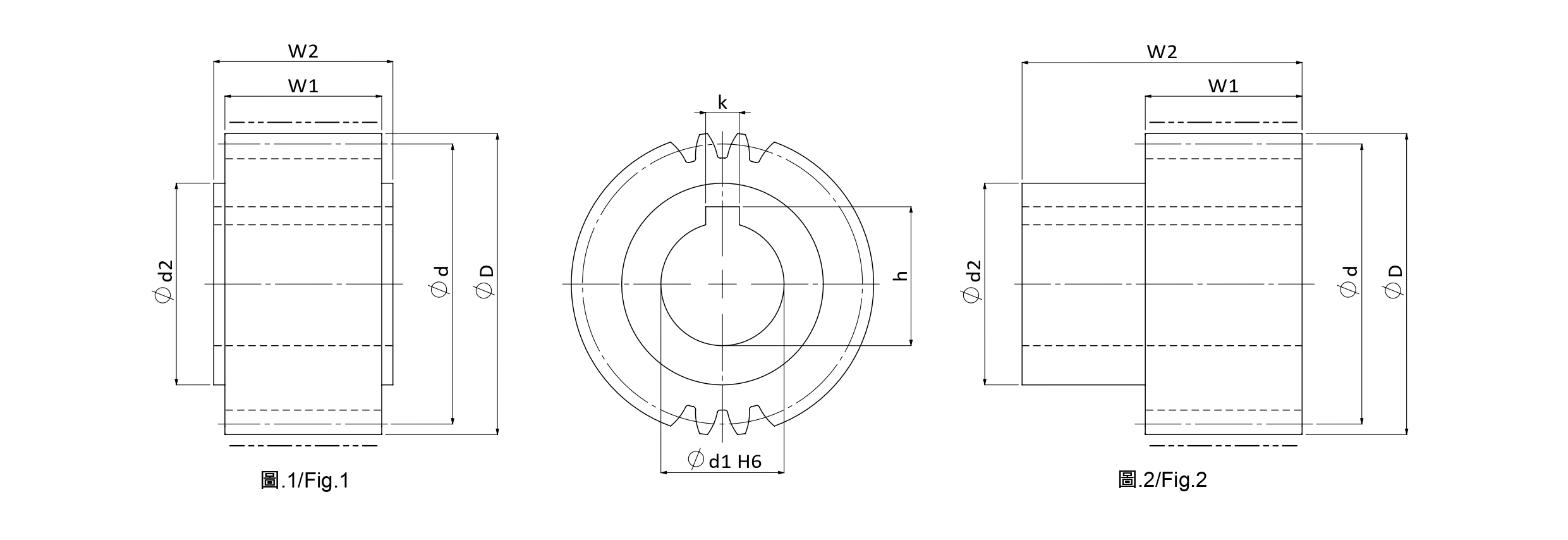
Tooth profile Straight Product Code MSGH
Module (M) 3 Quality(Q) DIN6
No. of. Teeth (Z) 25 øD 75
ød2 36 Max Feed Force Range (kN) 10-30
Max Feed Force (kN) 11.30 Weight (KG) 0.7
Pitch Circle Diameter Range (ød) 70-100 Pitch Circle Diameter (ød) 81
Hole Diameter (ød1) 25 W1 28
Total width (W2) 30 Keyway Yes
k 8 h 28.3
Fig. 1 Left Hand Helix Angle(β) 0゚

Unit : mm