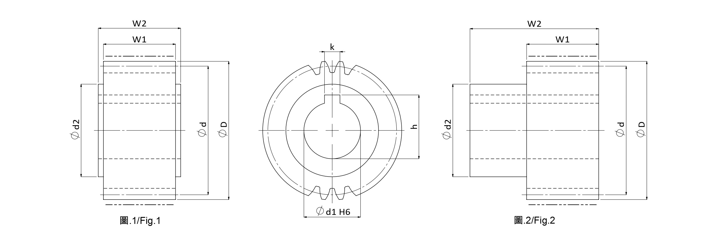
Cylindrical Pinion

MSGH03002532-DIN6

Series MSGH-DIN6 Straight Teeth Ground Pinions

Material : SCM440
Induction Hardened: Hardness HRC50-55
Teeth Induction-Hardened and Ground

Technical Data
Tooth profile Straight Product Code MSGH
Module (M) 3 Quality(Q) DIN6
No. of. Teeth (Z) 25 øD 75
ød2 55 Max Feed Force Range (kN) 10-30
Max Feed Force (kN) 11.30 Weight (KG) 1.6
Pitch Circle Diameter Range (ød) 70-100 Pitch Circle Diameter (ød) 81
Hole Diameter (ød1) 32 W1 28
Total width (W2) 65 Keyway Yes
k 10 h 35.3
Fig. 2 Left Hand Helix Angle(β) 0゚

Unit : mm