Cylindrical Pinion

MSGH03002832-DIN6

Series MSGH-DIN6 Straight Teeth Ground Pinions

Material : SCM440
Induction Hardened: Hardness HRC50-55
Teeth Induction-Hardened and Ground

Technical Data
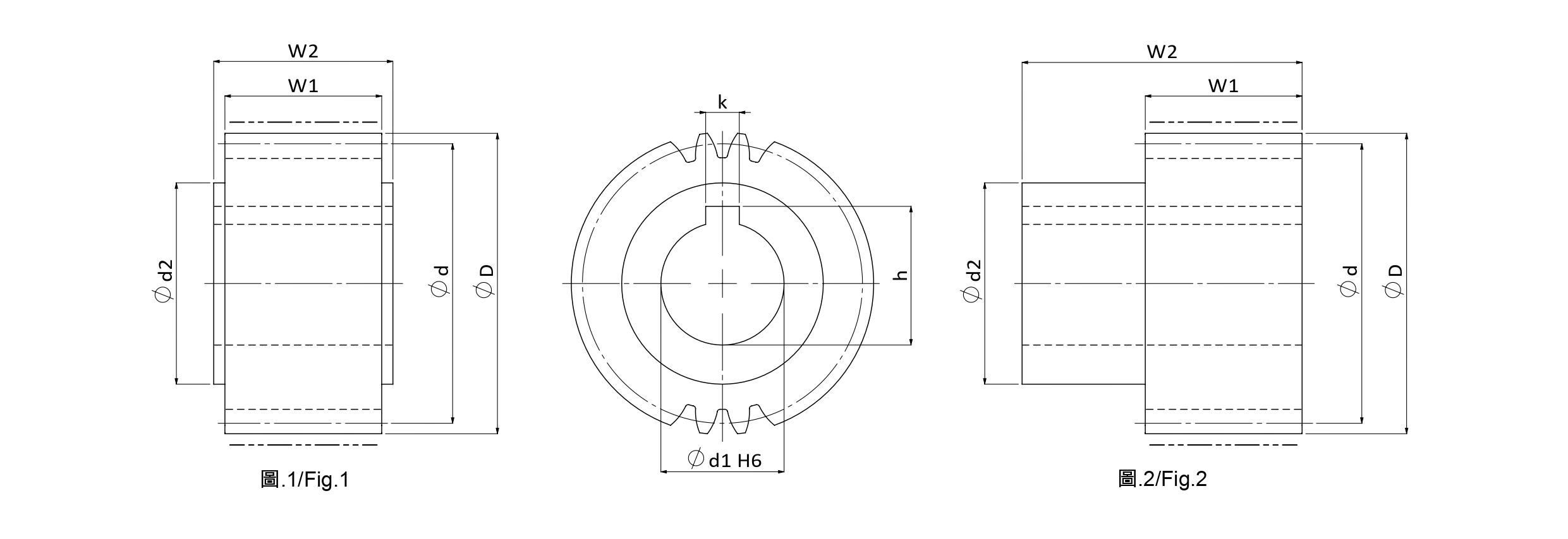
Tooth profile Straight Product Code MSGH
Module (M) 3 Quality(Q) DIN6
No. of. Teeth (Z) 28 øD 84
ød2 44 Max Feed Force Range (kN) 10-30
Max Feed Force (kN) 12.66 Weight (KG) 1.8
Pitch Circle Diameter Range (ød) 70-100 Pitch Circle Diameter (ød) 90
Hole Diameter (ød1) 25 W1 28
Total width (W2) 60 Keyway Yes
k 8 h 28.3
Fig. 2 Left Hand Helix Angle(β) 0゚

Unit : mm