Cylindrical Pinion

MSGH03004511-DIN6

Series MSGH-DIN6 Straight Teeth Ground Pinions

Material : SCM440
Induction Hardened: Hardness HRC50-55
Teeth Induction-Hardened and Ground

Technical Data
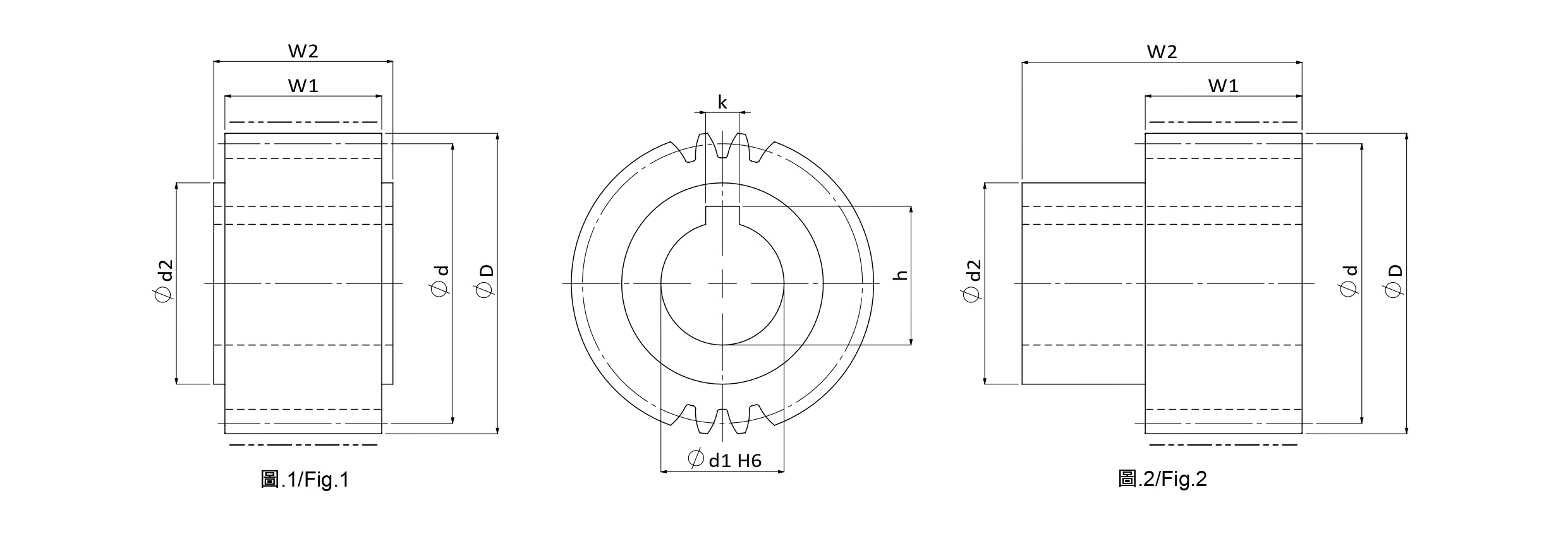
Tooth profile Straight Product Code MSGH
Module (M) 3 Quality(Q) DIN6
No. of. Teeth (Z) 45 øD 135
ød2 36 Max Feed Force Range (kN) 10-30
Max Feed Force (kN) 18.53 Weight (KG) 2.2
Pitch Circle Diameter Range (ød) >100 Pitch Circle Diameter (ød) 141
Hole Diameter (ød1) 25 W1 28
Total width (W2) 30 Keyway Yes
k 8 h 28.3
Fig. 1 Left Hand Helix Angle(β) 0゚

Unit : mm