Cylindrical Pinion

MSGH04002211-DIN6

Series MSGH-DIN6 Straight Teeth Ground Pinions

Material : SCM440
Induction Hardened: Hardness HRC50-55
Teeth Induction-Hardened and Ground

Technical Data
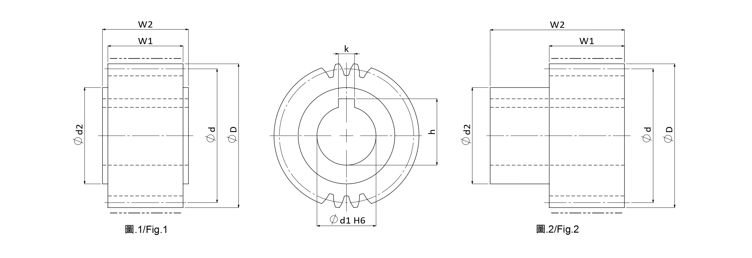
Tooth profile Straight Product Code MSGH
Module (M) 4 Quality(Q) DIN6
No. of. Teeth (Z) 22 øD 88
ød2 52 Max Feed Force Range (kN) 10-30
Max Feed Force (kN) 16.65 Weight (KG) 1.4
Pitch Circle Diameter Range (ød) 70-100 Pitch Circle Diameter (ød) 96
Hole Diameter (ød1) 35 W1 40
Total width (W2) 50 Keyway Yes
k 10 h 38.3
Fig. 1 Left Hand Helix Angle(β) 0゚

Unit : mm