Cylindrical Pinion

MSGH04002832-DIN6

Series MSGH-DIN6 Straight Teeth Ground Pinions

Material : SCM440
Induction Hardened: Hardness HRC50-55
Teeth Induction-Hardened and Ground

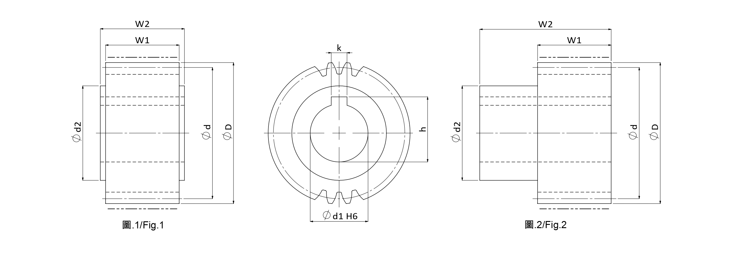
Technical Data
Tooth profile Straight Product Code MSGH
Module (M) 4 Quality(Q) DIN6
No. of. Teeth (Z) 28 øD 112
ød2 68 Max Feed Force Range (kN) 10-30
Max Feed Force (kN) 24.11 Weight (KG) 3.3
Pitch Circle Diameter Range (ød) >100 Pitch Circle Diameter (ød) 120
Hole Diameter (ød1) 45 W1 40
Total width (W2) 75 Keyway Yes
k 14 h 48.8
Fig. 2 Left Hand Helix Angle(β) 0゚

Unit : mm