Cylindrical Pinion

MSGH04004011-DIN6

Series MSGH-DIN6 Straight Teeth Ground Pinions

Material : SCM440
Induction Hardened: Hardness HRC50-55
Teeth Induction-Hardened and Ground

Technical Data
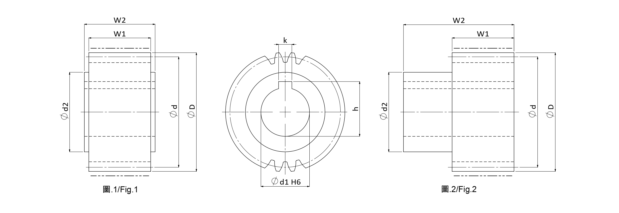
Tooth profile Straight Product Code MSGH
Module (M) 4 Quality(Q) DIN6
No. of. Teeth (Z) 40 øD 160
ød2 65 Max Feed Force Range (kN) 30-50
Max Feed Force (kN) 34.44 Weight (KG) 4.4
Pitch Circle Diameter Range (ød) >100 Pitch Circle Diameter (ød) 168
Hole Diameter (ød1) 45 W1 40
Total width (W2) 50 Keyway Yes
k 14 h 48.8
Fig. 1 Left Hand Helix Angle(β) 0゚

Unit : mm