Cylindrical Pinion

MSGH05002522-DIN6

Series MSGH-DIN6 Straight Teeth Ground Pinions

Material : SCM440
Induction Hardened: Hardness HRC50-55
Teeth Induction-Hardened and Ground

Technical Data
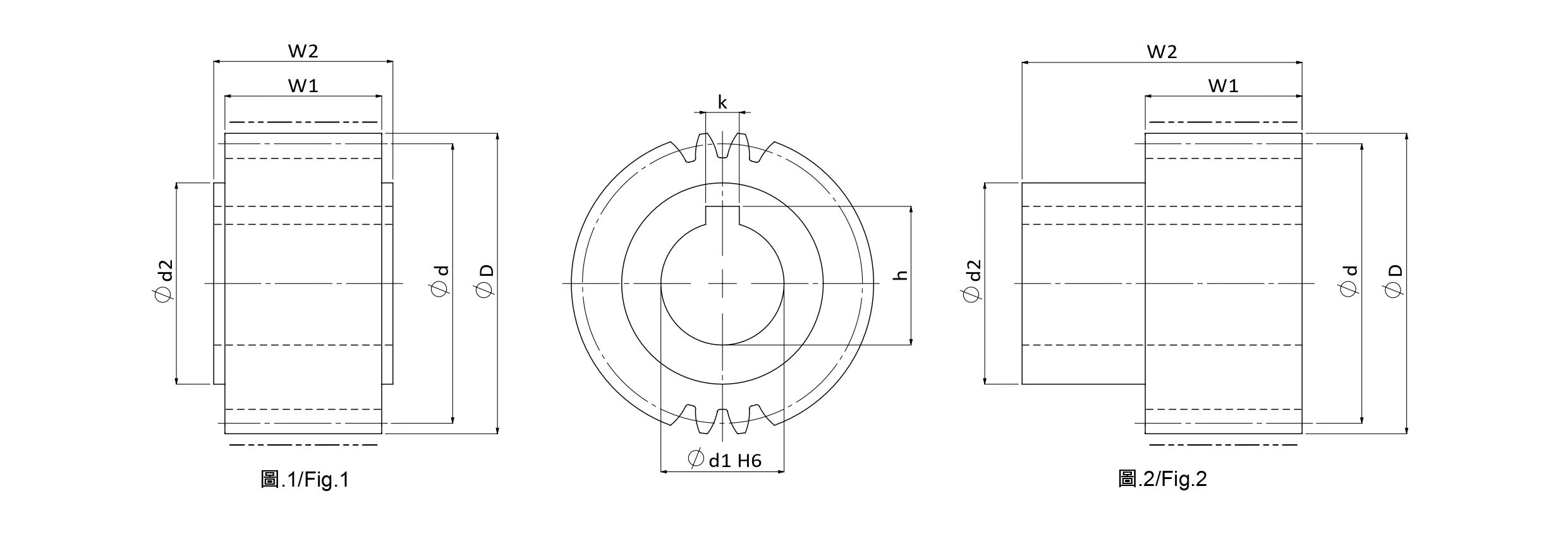
Tooth profile Straight Product Code MSGH
Module (M) 5 Quality(Q) DIN6
No. of. Teeth (Z) 25 øD 125
ød2 80 Max Feed Force Range (kN) 30-50
Max Feed Force (kN) 34.36 Weight (KG) 5.1
Pitch Circle Diameter Range (ød) >100 Pitch Circle Diameter (ød) 135
Hole Diameter (ød1) 55 W1 50
Total width (W2) 90 Keyway Yes
k 16 h 59.3
Fig. 2 Left Hand Helix Angle(β) 0゚

Unit : mm