Cylindrical Pinion

MSGH08002022-DIN6

Series MSGH-DIN6 Straight Teeth Ground Pinions
Material : SCM440
Induction Hardened: Hardness HRC50-55
Teeth Induction-Hardened and Ground

Technical Data
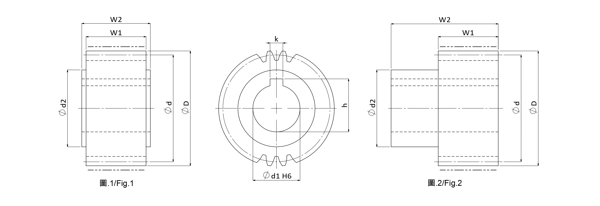
Tooth profile Straight Product Code MSGH
Module (M) 8 Quality(Q) DIN6
No. of. Teeth (Z) 20 øD 160
ød2 125 Max Feed Force Range (kN) 50-100
Max Feed Force (kN) 62.51 Weight (KG) 13.8
Pitch Circle Diameter Range (ød) >100 Pitch Circle Diameter (ød) 176
Hole Diameter (ød1) 85 W1 80
Total width (W2) 145 Keyway Yes
k 22 h 90.4
Fig. 2 Left Hand Helix Angle(β) 0゚

Unit : mm