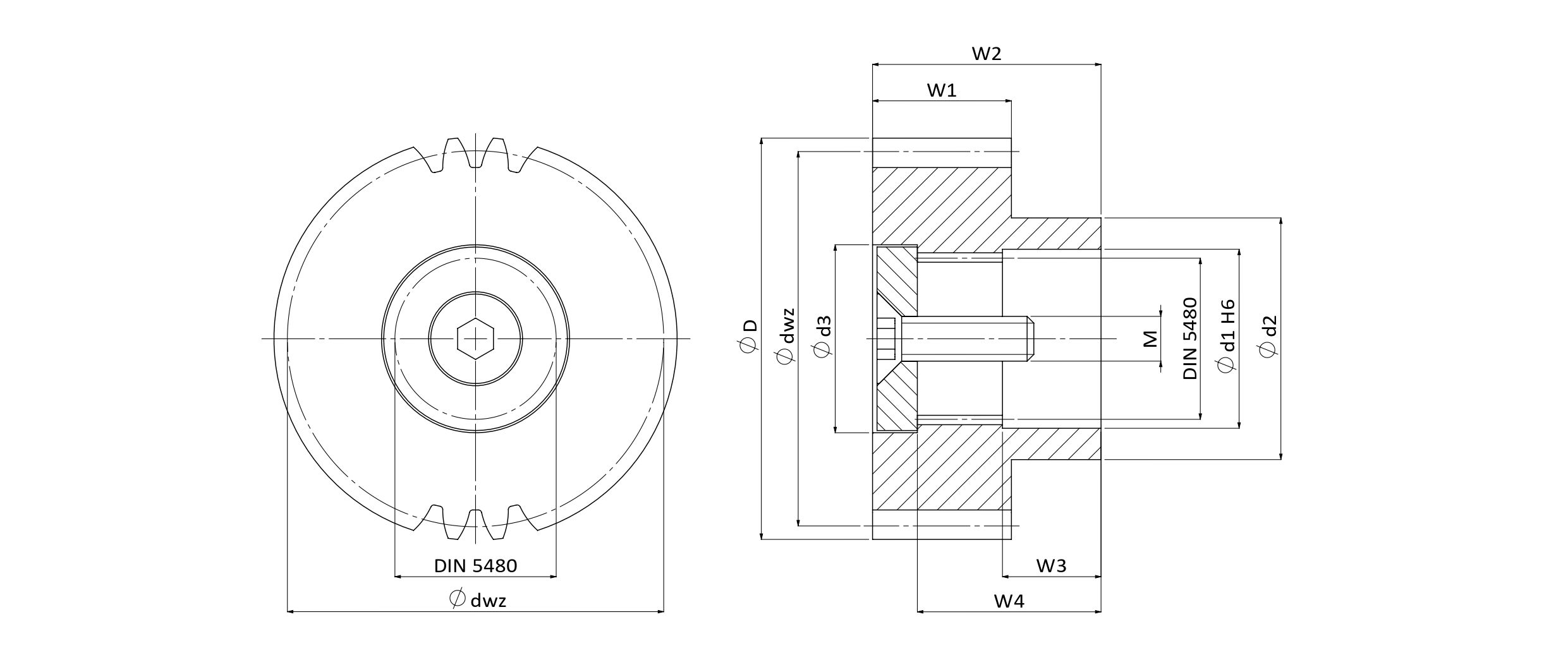
Spline Pinion

MHSGC0200161-N16-DIN6

Material : SCM415
Left Hand Helix Angle : 19°31'42"
Case Hardened : Hardness HRC60±2
Teeth Case-Hardened and Ground

Technical Data
Module (M) 2 Quality(Q) DIN6
No. of. Teeth (Z) 16 øD 40.4
ød2 26 Max Feed Force Range (kN) ≦20
Max Feed Force (kN) 8.94 Weight (KG) 0.21
Pitch Circle Diameter (ød) 33.953 Hole Diameter (ød1) 16
W1 26 Profile Modification Factor (x) 0.612
Working Pitch Diameter Range (ødwz) ≦50 Working Pitch Diameter (ødwz) 36.401
Bolt Specification (M) M5x16L ød3 18
W2 32 W3 11
W4 26.5 Splined specification (DIN 5480) N16x0.8x30x18x7H

Unit : mm