Spline Pinion

MHSGC0200182-N22-DIN6

Material : SCM415
Left Hand Helix Angle : 19°31'42"
Case Hardened : Hardness HRC60±2
Teeth Case-Hardened and Ground

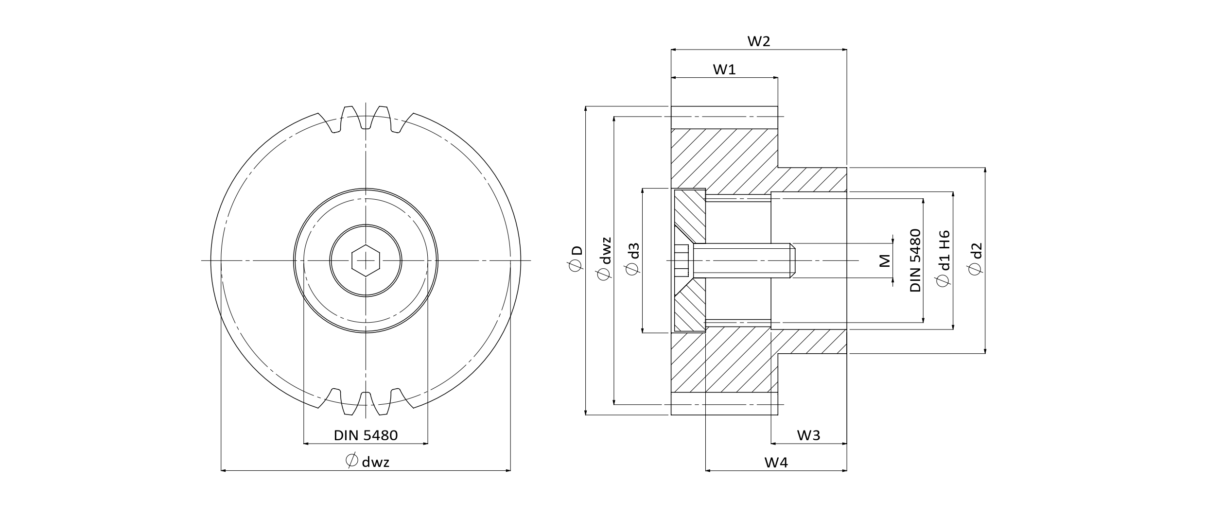
Technical Data
Module (M) 2 Quality(Q) DIN6
No. of. Teeth (Z) 18 øD 44.2
ød2 32 Max Feed Force Range (kN) ≦20
Max Feed Force (kN) 10.15 Weight (KG) 0.32
Pitch Circle Diameter (ød) 38.197 Hole Diameter (ød1) 22
W1 26 Profile Modification Factor (x) 0.500
Working Pitch Diameter Range (ødwz) ≦50 Working Pitch Diameter (ødwz) 40.197
Bolt Specification (M) M8x25L ød3 24
W2 33 W3 12
W4 27.5 Splined specification (DIN 5480) N22x1.25x30x16x7H

Unit : mm