Spline Pinion

MHSGC0200201-N22-DIN6

Material : SCM415
Left Hand Helix Angle : 19°31'42"
Case Hardened : Hardness HRC60±2
Teeth Case-Hardened and Ground

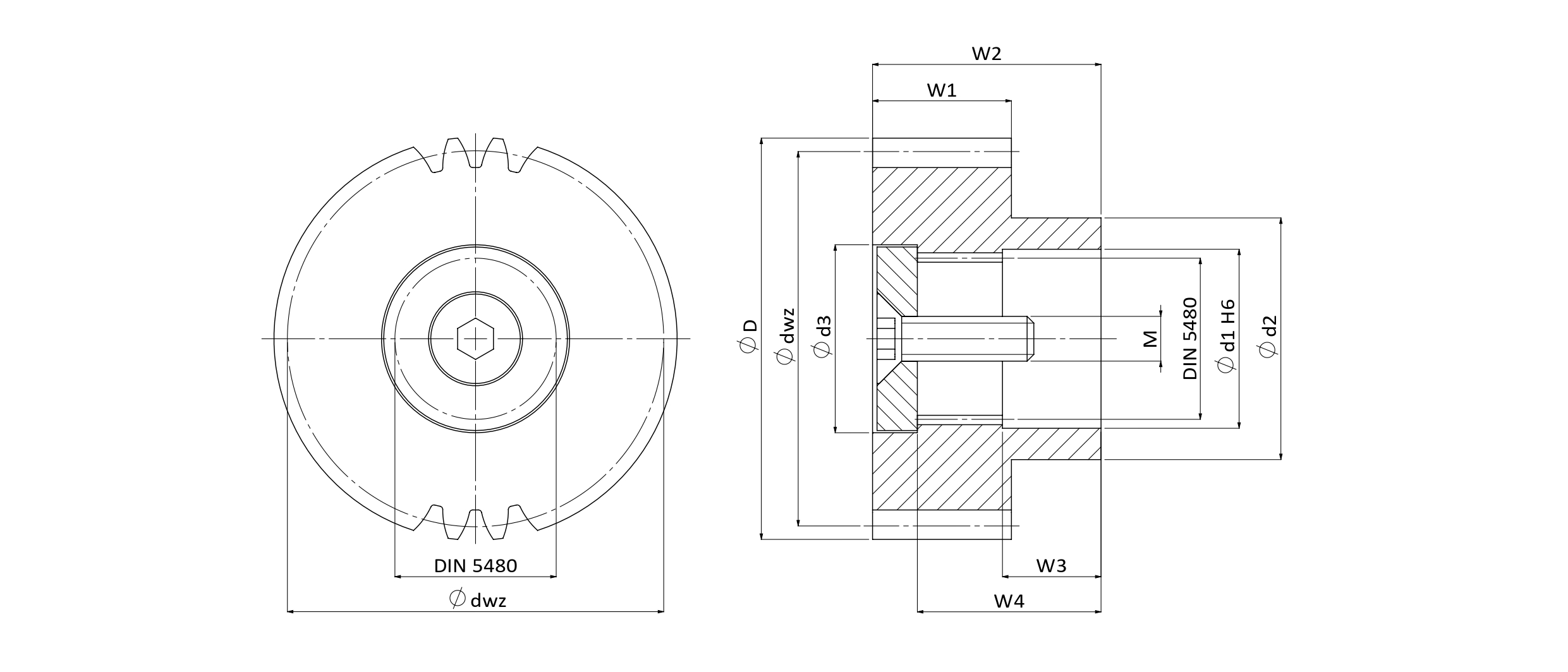
Technical Data
Module (M) 2 Quality(Q) DIN6
No. of. Teeth (Z) 20 øD 48.4
ød2 32 Max Feed Force Range (kN) ≦20
Max Feed Force (kN) 11.36 Weight (KG) 0.32
Pitch Circle Diameter (ød) 42.441 Hole Diameter (ød1) 22
W1 26 Profile Modification Factor (x) 0.490
Working Pitch Diameter Range (ødwz) ≦50 Working Pitch Diameter (ødwz) 44.401
Bolt Specification (M) M8x25L ød3 24
W2 33 W3 12
W4 27.5 Splined specification (DIN 5480) N22x1.25x30x16x7H

Unit : mm