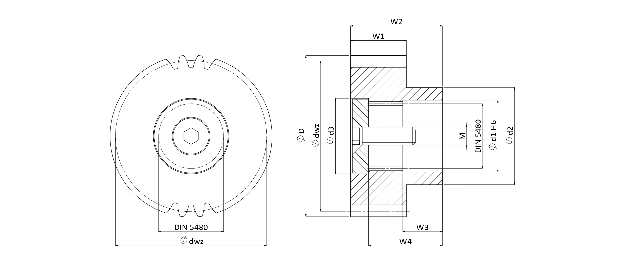
Spline Pinion

MHSGC0200231-N32-DIN6

Material : SCM415
Left Hand Helix Angle : 19°31'42"
Case Hardened : Hardness HRC60±2
Teeth Case-Hardened and Ground

Technical Data
Module (M) 2 Quality(Q) DIN6
No. of. Teeth (Z) 23 øD 54.8
ød2 42 Max Feed Force Range (kN) ≦20
Max Feed Force (kN) 12.35 Weight (KG) 0.44
Pitch Circle Diameter (ød) 48.808 Hole Diameter (ød1) 32
W1 26 Profile Modification Factor (x) 0.498
Working Pitch Diameter Range (ødwz) 50-70 Working Pitch Diameter (ødwz) 50.8
Bolt Specification (M) M12x30L ød3 34
W2 34 W3 13
W4 27.0 Splined specification (DIN 5480) N32x1.25x30x24x7H

Unit : mm