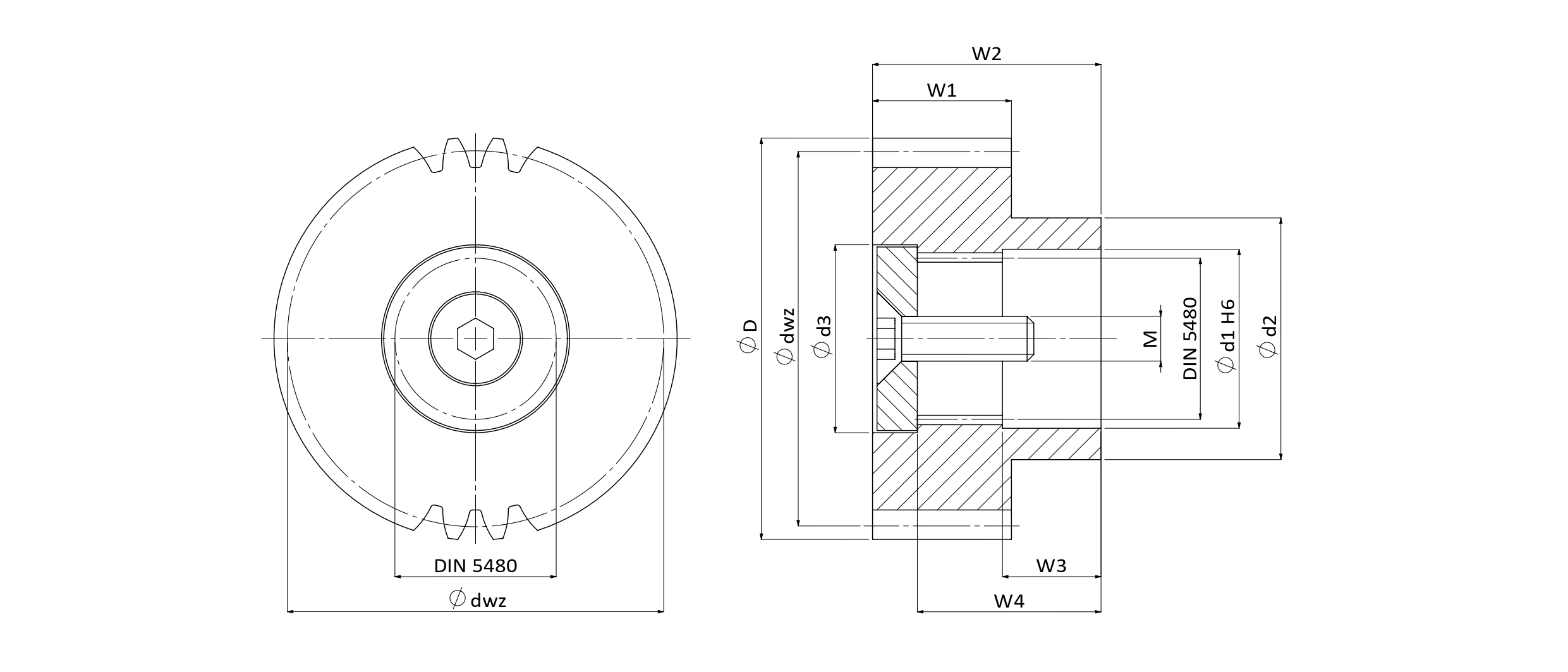
Spline Pinion

MHSGC0400201-N55-DIN6

Material : SCM415
Left Hand Helix Angle : 19°31'42"
Case Hardened : Hardness HRC60±2
Teeth Case-Hardened and Ground

Technical Data
Module (M) 4 Quality(Q) DIN6
No. of. Teeth (Z) 20 øD 96.08
ød2 75 Max Feed Force Range (kN) >20
Max Feed Force (kN) 36.49 Weight (KG) 1.70
Pitch Circle Diameter (ød) 84.883 Hole Diameter (ød1) 55
W1 41 Profile Modification Factor (x) 0.400
Working Pitch Diameter Range (ødwz) >70 Working Pitch Diameter (ødwz) 88.083
Bolt Specification (M) M20x50L ød3 57
W2 54 W3 20
W4 44.0 Splined specification (DIN 5480) N55x2x30x26x7H

Unit : mm