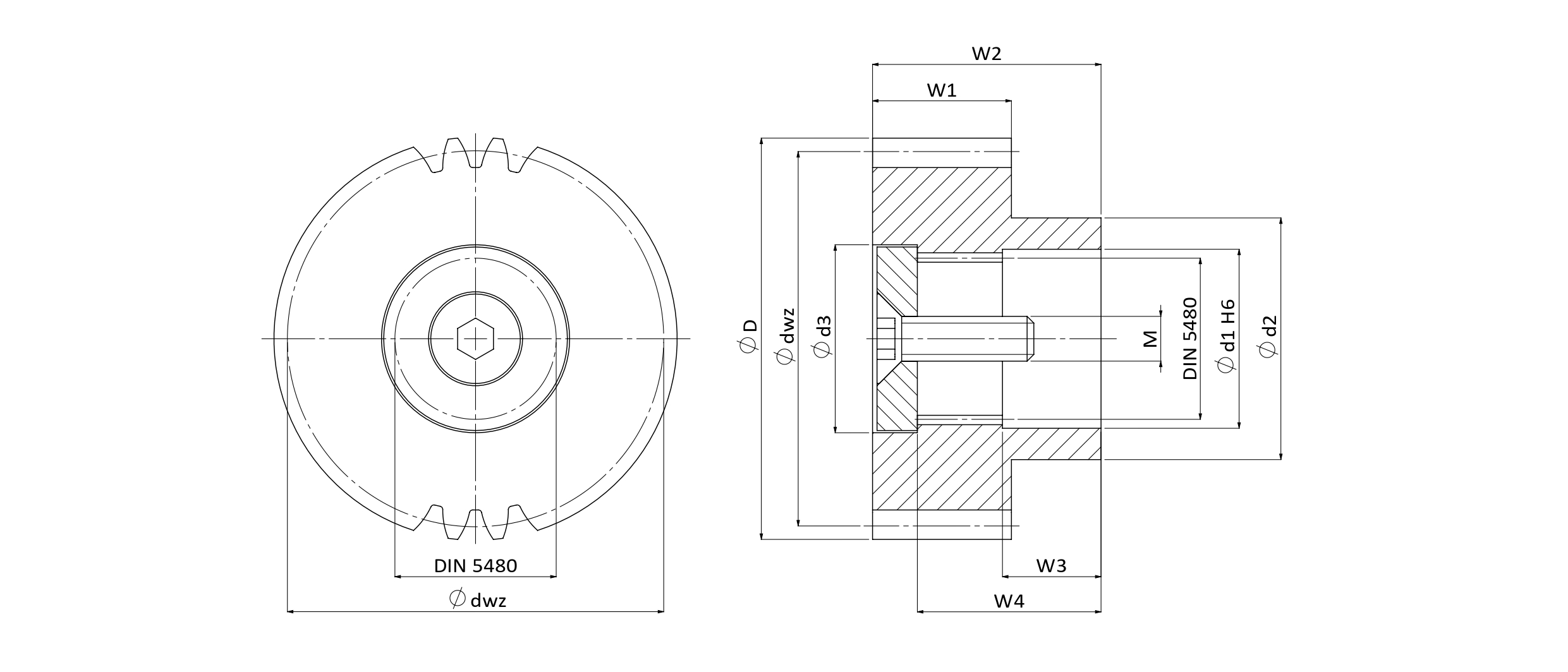
Spline Pinion

MHSGC0400251-N70-DIN6

Material : SCM415
Left Hand Helix Angle : 19°31'42"
Case Hardened : Hardness HRC60±2
Teeth Case-Hardened and Ground

Technical Data
Module (M) 4 Quality(Q) DIN6
No. of. Teeth (Z) 25 øD 116.82
ød2 92 Max Feed Force Range (kN) >20
Max Feed Force (kN) 39.08 Weight (KG) 3.40
Pitch Circle Diameter (ød) 106.103 Hole Diameter (ød1) 70
W1 41 Profile Modification Factor (x) 0.340
Working Pitch Diameter Range (ødwz) >70 Working Pitch Diameter (ødwz) 108.823
Bolt Specification (M) M20x50L ød3 72
W2 65 W3 24
W4 55.0 Splined specification (DIN 5480) N70x2x30x34x7H

Unit : mm